Задача антиблокировочной системы (ABS), установленной на подавляющем большинстве современных автомобилей, – не допускать движение машины «юзом» во время резкого торможения. Для этого в каждую ступицу вмонтирован специальный приборчик, передающий информацию о вращении колеса электронному блоку управления. Поскольку неисправность данного элемента нередко является причиной отказа системы, хозяину авто следует знать, как проверить датчик АБС в гаражных условиях.
Кратко о принципе работы
Функция ABS имитирует резкие многократные нажатия на педаль тормоза, практиковавшиеся водителями старых автомобилей на скользкой дороге. Электроника использует данный способ торможения гораздо эффективнее, блокируя и «отпуская» колеса несколько раз в секунду. Алгоритм работы следующий:
- В процессе резкого затормаживания блок управления отслеживает поведение колес посредством датчиков.
- Если одно или несколько колес перестали вращаться, ЭБУ отдает команду гидравлическому клапану, сбрасывающему жидкость из данного контура. Колодки прекращают удерживать диск и вращение возобновляется.
- Сопоставляя показания всех измерителей, контроллер убеждается, что торможение не завершено и закрывает гидроклапан, а колесо вновь блокируется. Цикл, продолжающийся долю секунды, повторяется до полной остановки машины.
Важно! Если работоспособностьодного либо нескольких датчиков будет нарушена, АБС откажет целиком, поскольку электронный блок не сможет сравнивать поведение колес.
Датчик ABS последнего поколения представляет собой катушку с полупроводниковым элементом, установленным в неподвижной части ступицы. В непосредственной близости от него на тормозном диске закреплено зубчатое кольцо, чье вращение отслеживает датчик. Это происходит так: контроллер подает на приборчик напряжение, а тот постоянно изменяет сопротивление вследствие прохождения рядом зубцов крутящегося кольца.
Когда величина электрического сопротивления становится постоянной, ЭБУ расценивает данный факт как блокировку колеса и включает вышеописанный алгоритм. Если же элемент выходит из строя, система АБС полностью отключается.



Замена датчиков АБС своими силами — реальная ли задача?
В данном случае многие водители предпочитают обратиться к специалистам, ведь это важная система, которая может спасти жизнь в экстренной ситуации. Тем не менее, датчик АБС меняется достаточно просто. Эта процедура стоит на СТО не так дорого, потому отдать авто в ремонт будет все равно целесообразно. Но если вы хотите сами обслужить систему, это вполне возможно. После проделанной диагностики вы определите, на каком колесе датчик работает неправильно. После этого достаточно прочесть часть инструкции для вашего автомобиля для определения предостережений и выполнить следующие действия:
- поднять нужную часть автомобиля на домкрате для качественного доступа к датчику;
- определить место посадки старого датчика, а также методы его изъятия;
- открутить болт, который удерживает датчик в необходимой позиции;
- снять датчик с места, исследовать его визуально на предмет повреждений;
- выполнить непосредственно замену старого датчика на новый;
- не забыть о правильном подключении электрических соединений;
- прикрутить датчик на прежнее место с помощью болта, который вы открутили ранее;
- поставить на место колесо, проехаться на автомобиле и проверить работу системы.
В данном случае не менее важным процессом будет покупка качественного датчика ABS. Дело в том, что на каждом автомобиле используются определенные особенности датчиков, которые не смогут работать в паре с другими деталями. Если у вас автомобиль, который покупался с рук, лучше определить, какие именно датчики АБС стоят на данный момент. Далеко не всегда на ступицах вы обнаружите оригинальные заводские элементы. Вполне возможно, что прежний владелец уже производил замену датчиков на более дешевые, что и стало причиной поломки данного элемента электрической системы вашей машины. Подбор датчика имеет огромное значение для нормальной работы машины. Смотрите видео о замене датчика АБС на автомобиле Renault Logan первого поколения:
Признаки неисправности датчиков
О том, что необходима проверка датчика АБС, свидетельствуют такие симптомы:
- при резком торможении либо на скользкой дороге автомобиль движется «юзом» и уходит в занос;
- отсутствует характерный звук срабатывания ABS – частое постукивание или треск со стороны заблокированного колеса (разновидность шума зависит от марки авто);
- на приборной панели загорается контрольная лампа неполадки антиблокировочной системы.
Если в силу разных причин нарушена работоспособность нескольких датчиков, то на панели приборов дополнительно вспыхивает индикатор включения ручного тормоза либо неисправности тормозной системы. Эксплуатировать машину можно и дальше, но на скользких участках либо при экстренной остановке водителю придется работать вместо АБС – часто и резко нажимать педаль.
Самостоятельная диагностика
Если причины неисправности ABS после осмотра так и не были выявлены, то лучшим выходом будет полная диагностика системы в специализированном сервисном центре.
В случае, когда нет финансовой возможности, можно продолжить самостоятельную работу.
Как показывает практика, основные проблемы с ABS вызваны обрывом проводов, недостаточно качественным контактом или проблемой в разъемах.
Чтобы убедиться в наличии таких неисправностей, необходимо иметь под рукой тестер или осциллоскоп.
Для получения точных результатов необходимо убедиться, что аккумуляторная батарея заряжена на 100 процентов. При этом желательно следить за скачками напряжений на разъемах и проводниках.
Как выполняется проверка?
Если на приборной панели горит ошибка ABS или тормозной системы, то не всегда причина кроется в самом датчике ABS. Что бы точно выявить причину неисправности рекомендуется провести комплексную диагностику автомобиля. Для экономии бюджета и времени наиболее предпочтительным вариантом будет самостоятельная диагностика с помощью ODBII сканера.
Если бюджет ограничен и вы не хотите тратить больших сумм на приобретение устройства, рекомендуем обратить внимание на адаптер корейского производства Scan Tool Pro Black Edition.
Данное устройство видит не только двигатель, как большинство бюджетных сканеров, но и другие узлы и агрегаты автомобиля (в том числе ABS и тормозную систему). Сканер совместим с большинством автомобилей и подключается к любому устройству через Bluetooth или wi-fi. Так же с помощью данного устройства можно проверить работу всех датчиков в режиме реального времени.
Поскольку работа исправного датчика ABS основана на изменении электрического сопротивления при вращении колеса, измерить его параметры можно мультиметром или тестером, функционирующим в режиме омметра. Условия для диагностики – обычный гараж либо ровная площадка, смотровая канава не требуется. Из инструментов возьмите домкрат и баллонный ключ.
Чтобы проверить датчик АБС тестером, выполните следующие действия:
- Поставьте автомобиль на ровную площадку и зафиксируйте противооткатными упорами. Ручной тормоз включать не следует.
- Поднимите домкратом заднее колесо и снимите его. Обнаружив жгут проводов, идущих к датчику в ступице, отыщите разъем и рассоедините его. Тщательно прочистите все контакты, лучше – специальной жидкостью.
- Включите мультиметр на измерение сопротивления и выполните замер в колодке, идущей от датчика. В зависимости от марки авто величина должна составлять от 500 Ом до 1,4 кОм.
- Возьмитесь за барабан или диск рукой и покрутите его, следя за показаниями тестера. Сопротивление должно меняться.
- Переведите прибор в режим измерения напряжения и включите зажигание. Проверьте присутствие постоянного тока со стороны блока управления, присоединив мультиметр ко второй части разъема.
- Операцию повторите на всех колесах.
На различных моделях автомобилей разъем может находиться в разных местах – прятаться под днищем либо пластиковой защитой. Чтобы обнаружить колодку, прощупайте жгут проводов вручную.
Типы датчиков
На автомобилях встречаются два вида датчиков:
- пассивный датчик, построенный на основе катушки;
- активный датчик, использующий в работе эффект Холла.
Пассивный датчик включается после начала движения и считывает данные от зубчатого импульсного кольца. Прохождение зубца мимо прибора вызывает генерацию импульса тока, который считывается блоком управления. Датчики начинают работать на скорости выше 5 км/час и не реагируют на загрязнение.
Активный датчик состоит из электронных компонентов и постоянного магнита, который установлен на ступице. При вращении магнита в приборе возникает разница потенциалов, которая формируется в сигнал управления микросхемой. Затем информация подается на блок. Датчики подобной конструкции встречаются редко, ремонт их невозможен.
Пассивные
Выделяются простой системой работы, при этом достаточно надёжные и имеют большой срок действия. Не нуждаются в подключении к питанию. Индуктивный датчик по сути это индукционная катушка из медной проволоки, в середине которой размещён стационарный магнит с металлическим сердечником.
Измеритель расположен сердечником к импульсному ротору в виде колеса с зубцами. Между ними выставлен определённый зазор. Зубцы ротора имеют форму прямоугольника. Проём между ними равен или чуть более ширины зубца.
В то время когда транспорт находится в движении при прохождении зубцов ротора около сердечника магнитное поле, проникающее сквозь катушку, постоянно изменяется, образуя в катушке переменный ток. Частота и амплитуда тока находятся в прямой зависимости от скорости движения колеса. На основе обработки этих данных блок управления отдаёт команду магнитным клапанам.
Минусами пассивных датчиков является:
- Относительно большие габариты;
- Слабая точность показаний;
- Начинают функционировать при наборе автомобилем скорости более 5 км/ч;
- Срабатывают при минимальном вращении колеса.
Из-за частых ошибок на современных автомобилях устанавливаются крайне редко.
Магниторезистивные
Работа базируется на свойстве ферромагнитных материалов менять электрическое сопротивление при воздействии на них неизменного магнитного поля.
Часть датчика контролирующая изменения выполнена из двух или четырёх слоёв железоникелевых пластин с нанесёнными на них проводниками. Часть элемента установлена в интегральную схему, считывающую изменения сопротивления и образующую контрольный сигнал.
Импульсный ротор, представляющий собой местами намагниченное пластиковое кольцо, жёстко закреплён на ступице колеса. Во время эксплуатации намагниченные участки ротора изменяют среду в пластинах чувствительного элемента, что фиксируется схемой. На её выходе образуются импульсные цифровые сигналы, поступающие в блок управления.
Подобный вид устройства контролирует скорость, курс вращения колёс и момент их полной остановки.
Магниторезистивные датчики фиксируют смену вращения колёс автомобиля с большой точностью, повышая эффективность действия систем обеспечения безопасности.
На основе элемента Холла
Этот тип датчиков ABS функционирует базируясь на эффекте Холла. В плоском проводнике, помещаемом в магнитное поле, образуется поперечная разница потенциалов.
Эффект Холла — появление поперечной разности потенциалов при помещении в магнитное поле проводника с постоянным током
Этим проводником является пластина из металла квадратной формы, помещённая в микросхему, которая включает в себя интегральную схему Холла и контрольную электронную систему. Датчик размещён с противоположной стороны от импульсного ротора и имеет вид колеса из металла с зубцами или кольца из пластика местами намагниченного, жёстко закреплённого на ступице колеса.
Это интересно: Проверка катушки зажигания тестером: определяем рабочее состояние
Схема Холла непрерывно образует сигнальные всплески определённой частоты. В состоянии покоя частота сигнала сводится к минимуму или затихает совсем. Во время движения проходящие мимо чувствительного элемента намагниченные участки или зубцы ротора вызывают изменения тока в датчике, фиксируемые отслеживающей схемой. На основании полученных данных формируется выходной сигнал, поступающий в блок управления.
Датчики данного типа производят замеры скорости с начала движения машины, отличаются точностью замеров и надёжностью функций.
Анализ результатов диагностики
Проблема неполадок функции ABS далеко не всегда кроется в датчиках. Виновниками отказа системы могут быть также и провода, соединяющие элементы с блоком управления. Вот почему необходимо провести 3 замера и по результатам сделать такие выводы:
- Если сопротивление датчика АБС стремится к нулю или, наоборот, прибор показывает значок бесконечности, то налицо неисправность самого элемента. Другой вариант – нарушение изоляции либо обрыв участка проводников от разъема до датчика.
- Тестер показывает, что сопротивление в пределах нормы, но при вращении тормозного диска его значение остается постоянным. Здесь версии две: сильное загрязнение зубчатого кольца (как вариант – разрушение) и опять-таки выход из строя датчика.
- Отсутствие напряжения в питающей линии указывает на обрыв электрической цепи, идущей от контроллера.
В первом случае необходимо снять приборчик со ступицы и обследовать провода на предмет перелома, разрыва либо короткого замыкания. Для верности померьте сопротивление еще раз, одновременно шевеля проводники. Если результат отрицательный, покупайте и ставьте новую деталь.
При неизменном сопротивлении доберитесь до зубчатого кольца, хорошенько вычистите и осмотрите. Если обнаружите механические повреждения, то запчасть лучше заменить.
Совет. Иногда недобросовестные или несведущие автомеханики при ремонте подвески повреждают кольцо, а то и вовсе выбрасывают. Забирая машину у мастера, всегда проверяйте наличие этой важной детали.
В том случае, когда нет напряжения в цепи контроллера, следует прозвонить данный участок проводки. Как это сделать:
- Разберитесь, где находится электронный блок управления гидравлическими клапанами. Например, в Shevrolet Aveo он стоит за бачком с тормозной жидкостью, а на Renault Megane – со стороны ремня привода генератора.
- Снимите с ЭБУ колодку и прочистите контакты. Отыщите распиновку проводов либо отследите их по цветам.
- Поставьте замыкающую перемычку на колодке, расположенной возле колеса. Прозвоните цепь омметром либо обычной лампочкой с батарейкой.
Простейший способ отыскать ЭБУ при отсутствии документации на авто – пройти по тормозным трубкам, ведущим к гидравлическому блоку. Последний стоит рядом с контроллером или соединен с ним пучком проводов.
При обнаружении обрыва цепи придется искать дефект по всей линии с целью устранения. Работа довольно сложная, поэтому ее стоит поручить опытному автоэлектрику.
Как выполнить диагностику системы АБС
Диагностические меры, предусматривающие проверку системы АБС, как правило производятся при помощи специального оборудования. Одним из них является так называемый диагностический адаптер. Для его подключения заводом-изготовителем предусмотрен специальный диагностический разъём.
Проверка системы начинается при включении зажигания. Суть такой проверки сводится к тому, что с помощью адаптера удаётся выявить наличие той или иной ошибки системы. Каждой ошибке присвоен определённый код, который позволяет судить о неисправности конкретного узла или элемента системы.
Однако стоит заметить, что в большинстве случаев диагностические адаптеры бюджетного сегмента сканируют не всю систему, а только двигатель. Поэтому рекомендуем использовать сканер с комплексной диагностикой.
К примеру можем отнести модель корейского производства Scan Tool Pro Black Edition. Имея на борту 32 битный чип данный сканер способен диагностировать не только двигатель, но и другие узлы автомобиля (коробку передач, трансмиссию, вспомогательные системы ABS и т.д.) и в тоже время имеет достаточно демократичную цену.
Данный мультимарочный сканер совместим с большинством автомобилей начиная с 1993 года выпуска, показывает работу всех имеющихся датчиков в реальном времени, VIN код автомобиля, его пробег, версию ЭБУ, и т.д.
Устройство способно производить замеры работы различных систем на стабильность в течении определенных отрезков времени и сохранять полученные данные в любых устройствах на базе iOS, Android или Windows.
Это интересно
: Как проверить датчик высокого давления G65 системы кондиционера
Диагностика и профилактические меры, позволяющие судить о работоспособности элементов системы производятся в специализированных сервисных центрах. Тем не менее, с этой задачей можно справиться и в гаражных условиях.
Так, всё что потребуется для диагностики датчика АБС составляет минимальный набор оснастки, включающей в себя: паяльник, мультиметр, термоусадку и ремонтные разъёмы.

Алгоритм проверки состоит из следующих этапов:
- поддамкрачивание колеса;
- демонтаж блока управления и выводов контроллера;
- подключение ремонтных разъёмов к датчикам;
- замер сопротивления мультиметром
Если датчик не вышел из строя, омметр покажет сопротивление около 1 кОм. Это значение соответствует рабочим показателям датчика в состоянии покоя. При вращении колеса показания должны меняться. Это будет указывать на его исправность. Если же изменений в показаниях не наблюдается, датчик вышел из строя.
Стоит отметить, что в силу различных модификаций датчиков, их рабочие параметры могут варьироваться. Поэтому, прежде чем приговаривать датчик, нужно прежде всего ознакомиться с его рабочим диапазоном и только потом делать выводы о его исправности.
К сведению
: Как устранить ошибку Р0171 (слишком бедная топливовоздушная смесь)
Кроме этого, при появлении сбоев в работе АБС необходимо убедиться в отсутствии повреждений подводных проводов. В случае обнаружения обрыва, провода следует «посадить на пайку».
Не стоит также забывать и том, что ремонтные пины нужно подключать в соответствии с полярностью. Несмотря на то, что в большинстве случаев при неправильном подключении срабатывает защита, делать этого не стоит. Для облегчения задачи, лучше всего предварительно пометить соответствующие провода маркером или изоляционной лентой.
Это интересно: Замена замка зажигания и его контактной группы
Тестером (мультиметром)
Кроме измерительного прибора понадобится описание функционала данной модели. Последовательность выполняемых работ:
- Автомобиль устанавливают площадке с ровным, однородным покрытием, зафиксировав его положение.
- Колесо демонтируют для свободного доступа к датчику.
- Штекер, используемый для соединения, отключают от общей проводки и очищают от грязи. Штекера задних колёс находятся в задней части салона. Чтобы обеспечить беспрепятственный доступ к ним нужно убрать подушку заднего сиденья и отодвинуть ковролин с шумоизоляционными матами.
- Проводят визуальный осмотр соединительных проводов на отсутствие потёртостей, разрывов и нарушение изоляции.
- Мультиметр выставляют в режим омметра.
- Контакты датчика соединяют с щупами прибора и проводят замер сопротивления. Норму показаний можно посмотреть в инструкции. Если справочник отсутствует, то за норму принимают показания от 0,5 до 2 кОм.
- Жгут проводов необходимо прозвонить, для того чтобы исключить возможность короткого замыкания.
- Чтобы подтвердить работоспособность датчика прокручивают колесо и контролируют данные с устройства. Показания сопротивления меняются по мере увеличения или снижения скорости вращения.
- Переводят прибор в режим вольтметра.
- При движении колеса со скоростью 1 об/сек напряжение должно быть 0,25-0,5 В. При увеличении скорости вращения напряжение должно повышаться.
- Соблюдая поэтапность, проверяют остальные датчики.
Это важно! Конструкция и значения сопротивления датчиков на передней и задней осях отличаются.
Сопротивление от 0,5 до 2 кОм на клеммах датчика АБС считается оптимальным
По замеренным показателям сопротивления определяют работоспособность датчиков:
- Показатель снижен по сравнению с нормой — датчик неисправен;
- Сопротивление стремится или соответствует нулю — межвитковое замыкание в катушке индукции;
- Смена данных сопротивления при сгибании жгута проводки — повреждение жил провода;
- Сопротивление стремится к бесконечности — обрыв провода в жгуте или индукционной катушке датчика.
Это важно! Если после контроля функций всех датчиков показатель сопротивления какого-нибудь из них значительно отличается — этот датчик неисправен.
Перед проверкой проводки на целостность необходимо узнать распиновку штекера модуля управления. После этого:
- Размыкают соединения датчиков и блока управления;
- Согласно распиновке поочерёдно прозванивают все жгуты проводов.
Осциллограф
Кроме всего прочего, для диагностики перебоев в работе датчика АБС можно воспользоваться осциллографом. Стоит отметить, что применение представленного устройства требует определённых навыков. Если Вы заядлый радиолюбитель, для Вас не составит труда прибегнуть к подобной диагностике. Но для простого обывателя, это может вызвать ряд трудностей. Начнём с того, что данный прибор обойдётся Вам не дешево.
Помимо всего прочего, его применение по большей части оправдано в условиях специализированного сервиса. Тем не менее, если этот диковинный прибор каким-то чудом завалялся у Вас в гараже, он станет хорошим подспорьем для проведения различных диагностических мероприятий.
Осциллограф создаёт визуализацию электрического сигнала. Амплитуда и частота сигнала отображается на специальном экране, что даёт четкую картину работы того или иного элемента системы.
В данном случае принцип проверки исправности датчика АБС будет основываться на сравнительном анализе полученных результатов. Итак, вся процедура на начальном этапе аналогична той, что проводилась ранее с мультиметром, только вместо тестера к выводам датчика следует подключить осциллограф.
По теме
: 5 причин, из-за чего машину ведет в сторону
Диагностическая процедура выглядит следующим образом:
- вращать вывешенное колесо с неизменной частотой порядка 2-3 об/с;
- зафиксировать значение амплитуды колебаний на табло осциллографа.
Как только показания с одного датчика сняты, необходимо провести все те же действия с датчиком, установленным на противоположной стороне одной и той же оси.
Полученные результаты следует сопоставить, и сделать соответствующие выводы:
- при относительно равных показаниях, датчики можно считать исправными;
- отсутствие скачкообразного явления при установке меньшего сигнала синусоиды говорит о работоспособности датчика;
- поддержание стабильной амплитуды с пиковым значением, не превышающим 0,5 В при указанных оборотах – датчик служит верой и правдой.
Хорошей альтернативой дорогостоящему прибору может стать специальное приложение, с помощью которого можно проводить все диагностические мероприятия при помощи обыкновенного ноутбука.
Без приборов
Корректную работу датчика можно определить по наличию магнитного поля. Для чего любой предмет изготовленный из стали прикладывают к корпусу датчика. Во время включения зажигания он должен притягиваться.
Кроме того необходимо осмотреть корпус датчика на предмет его целостности. На проводке не должны наблюдаться потёртости, разрывы изоляции, окислы. Соединительный штекер датчика должен быть чистым, контакты не окислены.
Это важно! Грязь и окислы на контактах штекера могут служить причиной искажения передачи сигнала.
Альтернативный способ проверки
Когда под рукой нет мультиметра, проверить датчик ABS можно более простым способом. Он сработает, когда вышел из строя только один элемент, а не несколько. Диагностика выполняется так:
- Рассоедините разъем на датчике одного колеса. Далее, необходимо завести мотор и проехать несколько метров.
- Если загорелась вторая лампочка неполадок тормозной системы (или ручного тормоза), то проверяемый элемент исправен. Подключите колодку и повторите операцию на следующем колесе.
- При одном поломанном датчике светится индикатор АБС, а при двух и более – лампа ручного тормоза. Когда второй индикатор на панели не загорится, значит, вы отключили неисправный элемент.
Способ позволяет определить местонахождение неполадки, но не ее характер. Для более точной диагностики нужно использовать тестер с омметром.
Сопротивление датчика абс форд транзит
И если кто знает то подскажите какое сопротивление должно быть на датчиках АБС, а то у меня как-то АБС не очень работает. Заранее спасибо.
Отправлено : аошник, 04 Июня 2002 в 19:13:48 В ответ на : Подскажите где в Питере отправленным Alex 2.4, 04 Июня 2002 в 14:49:05
*Сопротивление составляет-(0,8-1,4 Ом),если измерять со стороны блока АВС то, ножки располагаются в следующем порядке ножки 5-23-датчик переднего левого ножки 7-25 ——- переднего прового —— 6-24 ——- заднего левого —— 4-22 ——- заднего правого Изоляция (датчик-масса)-более 20 кОм. Удачи на дорогах!!
После простоя машины не тухнет лампочка АБС. Где диагностировать
Отправлено : Борт707, 01 Июля 2002 в 13:30:44 В ответ на : глазастый: абс, круиз-контроль и щелки под днищем отправленным lepin, 01 Июля 2002 в 03:22:41 «Обменяемся опытом !? — FORD» Часть 715
Время от времени (не всегда) после суточного простоя машины не тухнет лампочка АБС, пока не заглушу двигатель и не заведу снова. Что это может быть, дорог ли ремонт, и везде ли, или только у дилеров возможен? === в глазастом АБС поддается диагностике через общий интерфейс с мотором и прочими системами. Надо поехать в сервис? где есть сканер для ЕЕС5 и продиагностировать. Скорее всего это контакты.
:Насколько это критично — не будут ли проблемы прогрессировать? === если есть тракшен-контроль, он выключится вместе с АБС
Устройство АБС на Приоре
Главная задача ABS – не допустить блокировку колес во время торможения. Для выполнения своей задачи в Приоре антиблокировочная система работает так:
- В момент торможения ЭБУ получает данные с датчиков ABS, считывающих скорость (они стоят за ступицами).
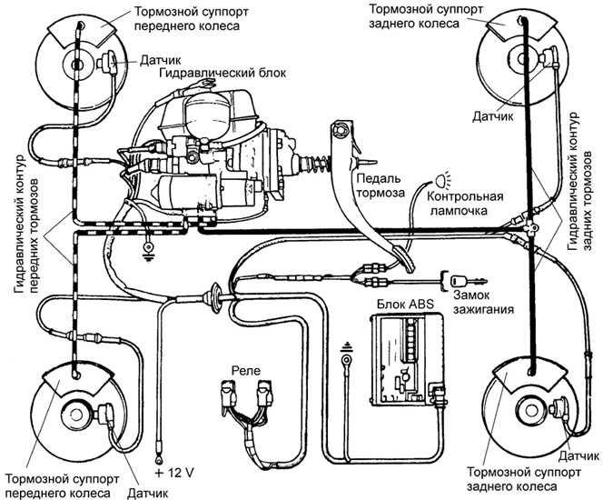
- ЭБУ антиблокировочной системы – это блок со стоящими внутри клапанами давления тормозной жидкости и электрическим возвратным насосом. Его расположение – передний левый лонжерон.
- Когда датчики транслируют данные о резком скачке – мгновенном торможении колес, — постепенно сбрасывается давление жидкости при помощи клапанов.
- Неисправность любой системы ведет к передаче через ЭБУ сигнала об ошибке, который является перед водителем как «горящий АБС на приборной панели».
Чек лист: датчик абс Приора -18 ошибок системы, снятие и установка блока
Датчик абс автомобиля Приора, ставится возле колес. Он бывает передний и задний. Блок АБС ставится около двигателя справа, если открыть капот и стоять перед машиной. Когда горит АбС(ABC) на панели — значит в системе возникли неполадки. Для чего нужна эта система автомобилям? Абс влияет, на торможение машины, Приора с этой системой тормозит в 2 раза быстрее чем без нее. Колеса тормозят небольшими порциями — вымеряемыми компьютером. Изначально в 2008 году были машины без нее. Читайте статью до конца и узнаете, какая ошибка, за что отвечает и почему загорелся и не работает АБС. Приора имеет датчики и блок ABS. Выход из строя каждой запчасти, влечет проблемы. На приоре насчитывается 18 ошибок принадлежащих системе торможения.
Появление иконки на приборной панели свидетельствует об ошибке, возникающей в работе автомобиля. Есть серьезные ошибки на Приоре, при возникновении которых не стоит испытывать судьбу и ехать дальше, а есть те ошибки, которые можно отложить. Например, очень ценной для современного водителя в машине считается система ABS.
Система АБС у Приоры спасает во время неожиданных и резких торможений и делает сам процесс более эффективным, сокращая тормозной путь. Поэтому когда на приборной панели Приоры горит АБС, возникают странные ощущения неуверенности – зная, что дорожная ситуация может быть непредсказуемой настолько, что придется резко затормозить, невольно приходится искать причину, по которой иконка появилась на приборной панели.
Как и во многих системах, такое поведение блока управления автомобиля может завершится тем, что придется поменять датчик АБС на Приоре. Большую систему с довольно простым устройством стоит проверить – для своей же безопасности.
Как функционирует АБС
Разработка системы, которую активно начали устанавливать на выпускаемые автомобили в 1970-е годы, вывело понятие безопасности на новый уровень.
- блока управления;
- гидравлического привода;
- контроллеров, контролирующих обороты колеса;
- механизма, обеспечивающего торможение.
Самым главным считается блок управления: он оценивает сигналы, поступающие от датчиков. Данные в оперативном режиме анализируется, и система понимает, что происходит с автомобилем: замедляется он или начинает ехать быстрее. Далее обработанные данные передаются на гидравлический узел.
Тормозной цилиндр отвечает за передачу давления, необходимого для создания нажимного усилия, которое гарантирует, что колодки прижмутся к дискам. Вне зависимости от силы нажатия водителем на тормоз, уровень давления в системе окажется самым оптимальным. Основное достоинство ABS заключается в возможности анализирования системой состояния каждого колеса в отдельности, выбирая наиболее подходящее давление и не допуская блокировки. Торможение до полной остановки обеспечивается давлением, возникшем в тормозном приводе.
На полноприводных и заднеприводных автомобилях установлен единственный датчик, располагающийся на задней оси: данные в главный блок, отвечающий за управление, поступают с самого ближнего колеса, а сигнал, задающий требуемый уровень давления, отправляется сразу всем колесам.
Существует три возможных режима работы устройства, занимающегося управлением клапанами:
- если впускной клапан находится в открытом состоянии, а выпускной – в закрытом, давление будет возрастать, поскольку отсутствуют препятствия этому;
- впускной клапан может оставаться закрытым после получения соответствующего сигнала, что обеспечивает сохранение неизменного уровня давления;
- выпускной клапан открывается, а впускной закрывается, что способствует снижению давления.
Наличие этих режимов работы гарантирует, что повышение или уменьшение давление будет происходить плавно. Когда в работе системы АБС возникают какие-либо проблемы, тормозной механизм начинает функционировать без её участия, а на панели загорается соответствующее уведомление.



