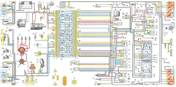
Пояснение обозначений
Знание определений схемы электрооборудования 2107 Лада поможет быстро обнаружить необходимый провод, продиагностировать его, выявит и устранить неисправность. Конечно, при замене салонного фильтра или замена масла такая информация не пригодится, но в профильных делах расшифровка обозначений существенно упростит процесс ремонта.
- 1 – головные фонари ВАЗ 2107;
- 2 – боковые повторители поворота;
- 3 – аккумулятор;
- 4 – реле включения стартера;
- 5 – электропневмоклапан карбюратора;
- 6 – внутренний переключатель карбюратора;
- 7 – система геренратора 37.3701;
- 8 – моторедукторы очистителей фар*;
- 9 – датчик включения электродвигателя вентилятора;
- 10 – электродвигатель вентилятора охлаждения мотора;
- 11 – звуковые сигналы;
- 12 – распределитель зажигания;
- 13 – свечи зажигания;
- 14 – стартер;
- 15 — датчик указателя температуры ОЖ;
- 16 – подкапотное освещение;
- 17 – датчик сигнализатора критичного давления масла;
- 18 – контрольная лампа недостаточного уровня тормозной жидкости;
- 19 – электродвигатель очистителя ветрового стекла;
- 20 – блок управления клапаном системы питания;
- 21 – катушка зажигания;
- 22 – электрический двигатель насоса омывателя фар*;
- 23 – электродвигатель насоса омывателя ветрового стекла;
- 24 – монтажный блок;
- 25 – реле очистителя ветрового стекла;
- 26 – реле аварийной сигнализации и указателей поворота;
- 27 – выключатель стоп-сигнала;
- 28 – выключатель ламп заднего хода;
- 29 – реле зажигания;
- 30 – выключатель зажигания;
- 31 – трехрычажный переключатель;
- 32 – выключатель аварийной сигнализации;
- 33 – штепсельная розетка для переносной лампы**;
- 34 – переключатель вентилятора отопителя печки;
- 35 – дополнительный переключатель электродвигателя отопителя;
- 36 – лампа сигнализатора включения обогрева заднего стекла;
- 37 – лампа сигнализатора недостаточного уровня тормозной жидкости ВАЗ;
- 38 – блок сигнализаторов;
- 39 – электродвигатель вентилятора печки;
- 40 – лампа освещения бардачка;
- 41 – выключатели плафонов на стойках передних дверей;
- 42 – выключатели фонарей сигнализации открытых передних дверей***;
- 43 – фонари сигнализации открытых передних дверей***;
- 44 – соединительная колодка;
- 45 – прикуриватель;
- 46 – часы;
- 47 – выключатель освещения приборов;
- 48 – диод для проверки исправности контрольной лампы недостаточного давления масла и уровня тормозной жидкости;
- 49 – указатель уровня топлива;
- 50 – лампа сигнализатора недостаточного уровня бензина (резерв топлива);
- 51 – спидометр;
- 52 – контрольная лампа включения указателей поворота на приборной панели;
- 53 – лампа сигнализатора приоткрытия воздушной заслонки карбюратора;
- 54 – контрольная лампа сигнализатора заряда аккумуляторной батареи;
- 55 – выключатель сигнализатора приоткрытия воздушной заслонки карбюратора;
- 56 – комбинация приборов;
- 57 – эконометр;
- 58 – выключатели плафона на стойках задних дверей;
- 59 – указатель температуры охлаждающей жидкости;
- 60 – тахометр;
- 61 – лампа сигнализатора включения ручника;
- 62 – датчик указателя недостаточного давления масла;
- 63 – лампа сигнализатора включения дальнего света фар;
- 64 – сигнализатор включения габаритов;
- 65 – вольтметр;
- 66 – выключатель сигнализатора стояночного тормоза;
- 67 – выключатель наружного освещения;
- 68 – выключатель обогрева заднего стекла;
- 69 – выключатель заднего противотуманного света с сигнализатором включения*;
- 70 – предохранитель цепи противотуманного света;
- 71 – плафон освещения салона****;
- 72 – задние фары;
- 73 – датчик указателя уровня топлива и резерва топлива;
- 74 – колодки для подключения к элементу обогрева заднего стекла*;
- 75 – фонари освещения номерного знака.
* В некоторых моделях очистители фар и ветрового стекла устанавливаются совместно. **Модели до 2000-го года выпуска. ***Машины, сошедшие с конвейера до 1998-го года. ****Один фонарь по центру крыши (до 2000-го года) или два плафона расположенные в стойках кузова после этой даты.


СИСТЕМЫ БОРТОВОЙ СЕТИ ВАЗ 2107 И ПРИНЦИП ИХ ДЕЙСТВИЯ
Учитывая, что «семёрки» выпускались как с карбюраторными моторами, так и с инжекторными, их электрические схемы отличаются.
Схема электрооборудования в карбюраторных ВАЗ 2107 несколько проще, нежели в инжекторных
Разница между ними заключается в том, что у последних бортовая сеть дополнена электронным блоком управления, электрическим бензонасосом, форсунками, а также датчиками системы управления двигателя.
В схему инжекторного ВАЗ 2107 включены ЭБУ, электробензонасос, форсунки и датчики системы управления
Независимо от этого все электрооборудование «семёрки» можно разделить на несколько систем:
- энергообеспечения автомобиля;
- пуска силовой установки;
- зажигания;
- наружного, внутреннего освещения и световой сигнализации;
- звуковой сигнализации;
- дополнительного оборудования;
- управления двигателем (в инжекторных модификациях).
Рассмотрим, из чего состоят и как функционируют эти системы.
СИСТЕМА ЭНЕРГООБЕСПЕЧЕНИЯ
В систему энергообеспечения ВАЗ 2107 входят всего три элемента: аккумулятор, генератор и регулятор напряжения. Аккумулятор служит для обеспечения электроэнергией бортовой сети автомобиля при выключенном двигателе, а также для запуска силовой установки посредством подачи питания на стартер. В «семёрках» применяются свинцово-кислотные стартерные батареи типа 6СТ-55 напряжением 12 В и ёмкостью 55 Ач. Их характеристик вполне хватает для обеспечения пуска и карбюраторного и инжекторного двигателей.
ВАЗ 2107 комплектовались аккумуляторами типа 6СТ-55
Автомобильный генератор предназначен для обеспечения электрическим током бортовой сети машины, а также зарядки аккумуляторной батареи при работающем силовом агрегате. «Семёрки» до 1988 года комплектовались генераторами типа Г-222. Позже ВАЗ 2107 стали оборудоваться источниками тока типа 37.3701, которые успели себя успешно зарекомендовать на ВАЗ 2108. По сути, они имеют одинаковую конструкцию, но отличаются характеристиками обмоток.
Генератор вырабатывает ток для обеспечения электроэнергией бортовой сети машины
Генератор 37.3701 представляет собой трехфазное электромеханическое устройство переменного тока с возбуждением электромагнитного типа. С учётом того, что бортовая сеть «семёрки» рассчитана на постоянный ток, в генератор вмонтирован выпрямитель, в основе которого лежит шестидиодный мост.
Генератор установлен на силовой установке машины. Он приводится в действие клиновидным ремнём от шкива коленчатого вала. Величина вырабатываемого устройством напряжения зависит от количества оборотов коленвала. Для того чтобы она не выходила за установленные для бортовой сети рамки (11,0–14,7 В) в паре с генератором работает микроэлектронный регулятор напряжения типа Я112В. Это неразборной и нерегулируемый элемент, который автоматически и непрерывно сглаживает скачки и падения напряжения, поддерживая его на уровне 13,6–14,7 В.
Основу системы энергоснабжения составляют аккумулятор, генератор и регулятор напряжения
Генератор начинает вырабатывать ток уже тогда, когда мы переводим ключ в замке зажигания в положение «II». В этот момент включается реле зажигания, и напряжение от аккумулятора поступает на возбуждающую обмотку ротора. При этом в статоре генератора образуется электродвижущая сила, индуцирующая переменный ток. Проходя через выпрямитель, переменный ток преобразуется в постоянный. В таком виде он поступает на регулятор напряжения, а оттуда в бортовую сеть.
ВИДЕО: КАК НАЙТИ НЕИСПРАВНОСТЬ ГЕНЕРАТОРА
СИСТЕМА ПУСКА СИЛОВОЙ УСТАНОВКИ
В систему запуска двигателя ВАЗ 2107 входят:
- АКБ;
- стартер с реле;
- выключатель (замок) зажигания.
1 — стартер; 2 — реле; 3 — замок зажигания; 4 — аккумулятор
В качестве устройства для запуска силового агрегата в ВАЗ 2107 применён четырехщёточный электрический стартер постоянного тока типа СТ-221. Его цепь не имеет защиты в виде предохранителя, однако предусматривает два реле: вспомогательного (подачи питания) и втягивающего, которое обеспечивает сцепление вала устройства с маховиком. Первое реле (типа 113.3747–10) находится на моторном щите машины. Втягивающее реле установлено непосредственно на корпусе стартера.
В ВАЗ 2107 установлен стартер СТ-221
Управление запуском двигателя осуществляется при помощи выключателя зажигания, расположенного на рулевой колодке. Он имеет четыре положения, переводя ключ в которые мы имеем возможность включать цепи различного электрооборудования:
- «0» – положение, при котором выключены все электрические приборы за исключением звукового сигнала, прикуривателя, плафона освещения салона, иногда магнитолы (в зависимости от того, по какой схеме она подключена);
- «III» – запитаны лампы фар наружного освещения, омыватель лобового стекла и «дворники»;
- «I» – питание подаётся в систему зажигания, на приборную панель, лампы световой сигнализации и вентилятор отопителя;
- «II» – ток подаётся на реле стартера, втягивающее устройство и обмотки возбуждения стартера.
Запуск двигателя происходит следующим образом. При повороте ключа в позицию «II» замыкаются соответствующие контакты замка зажигания, и ток поступает на выводы вспомогательного реле, запуская электромагнит. Когда замыкаются и его контакты, питание подаётся на обмотки втягивающего устройства. Одновременно напряжение идёт на стартер. При срабатывании втягивающего реле вращающийся вал пускового устройства входит в зацепление с венцом маховика и через него передаёт крутящий момент на коленчатый вал.
При помощи замка включаются различные цепи бортовой сети машины
Когда мы отпускаем ключ зажигания, он из положения «II» самостоятельно возвращается в позицию «I», и ток перестаёт подаваться на вспомогательное реле. Таким образом цепь стартера размыкается, и он выключается.
ВИДЕО: ЕСЛИ НЕ КРУТИТ СТАРТЕР

СИСТЕМА ЗАЖИГАНИЯ
Система зажигания предназначена для своевременного воспламенения горючей смеси в камерах сгорания силовой установки. До 1989 года включительно на ВАЗ 2107 устанавливалось зажигание контактного типа. Его конструкцию составляли:
- катушка, представляющая собой повышающий напряжение трансформатор;
- распределитель с контактным прерывателем;
- высоковольтные провода;
- свечи.
1 — генератор; 2 — замок зажигания; 3 — распределитель; 4 — прерыватель; 5 — свечи; 6 — катушка; 7 — аккумулятор
Катушка зажигания используется для повышения величины напряжения, поступающего с аккумулятора. В классической (контактной) системе зажигания использовалась двухобмоточная катушка типа Б-117А, а в бесконтактной — 27.3705. Конструктивно они не отличаются. Разница между ними заключается лишь в характеристиках обмоток.
ВИДЕО: РЕМОНТ СИСТЕМЫ ЗАЖИГАНИЯ ВАЗ 2107 (Ч. 1)

Распределитель необходим для прерывания тока и распределения импульсов напряжения по свечам. В «семёрках» устанавливались распределители типа 30.3706 и 30.3706–01.
Посредством высоковольтных проводов ток высокого напряжения передаётся с контактов крышки распределителя на свечи. Главное требование к проводам — целостность токопроводящей жилы и изоляции.
Свечи зажигания формируют искру на своих электродах. От её величины и мощности напрямую зависит качество и время процесса сгорания топлива. С завода двигатели ВАЗ 2107 комплектовались свечами типа А -17 ДВ, А-17 ДВР или FE-65PR с межэлектродным зазором 0,7–0,8 мм.
Контактная система зажигания работала следующим образом. При включении зажигания напряжение с аккумулятора шло на катушку, где увеличивалось в несколько тысяч раз и следовало на контакты прерывателя, расположенного в корпусе распределителя зажигания. Благодаря вращению эксцентрика на вале распределителя, контакты замыкались и размыкались, создавая импульсы напряжения. В таком виде ток поступал на бегунок распределителя, который «разносил» его по контактам крышки. Эти контакты соединялись с центральными электродами свечей зажигания посредством проводов высокого напряжения. Вот такой путь проходило напряжение от аккумулятора к свечам.
После 1989 года «семёрки» стали комплектовать системой зажигания бесконтактного типа. Это было связано с тем, что контакты прерывателя постоянно пригорали и приходили в негодность уже после пяти — восьми тысяч пробега. Кроме этого водителям часто приходилось регулировать величину зазора между ними, так как он постоянно сбивался.
В системе бесконтактного зажигания вместо прерывателя используется коммутатор
В новой системе зажигания никакого распределителя уже не было. Вместо него в схеме появились датчик Холла и электронный коммутатор. Принцип действия системы изменился. Датчик считывал количество оборотов коленчатого вала и передавал электронный сигнал на коммутатор, который, в свою очередь, формировал импульс низкого напряжения и отправлял его на катушку. Там напряжение увеличивалось и подавалось на крышку распределителя, а оттуда по старой схеме поступало на свечи.
ВИДЕО: РЕМОНТ СИСТЕМЫ ЗАЖИГАНИЯ ВАЗ 2107 (Ч. 2)
В инжекторных «семёрках» все намного современнее. Здесь в системе зажигания вообще нет никаких механических узлов, а роль катушки зажигания играет специальный модуль. Работой модуля руководит электронный блок, который получает информацию с нескольких датчиков и на её основании формирует электрический импульс. Дальше он передаёт его на модуль, где напряжение импульса повышается и передаётся через высоковольтные провода на свечи.
В инжекторных ВАЗ 2107 электрический импульс формируется ЭБУ
СИСТЕМА НАРУЖНОГО, ВНУТРЕННЕГО ОСВЕЩЕНИЯ И СВЕТОВОЙ СИГНАЛИЗАЦИИ
Система освещения и сигнализации автомобиля предназначена для подсветки внутреннего пространства салона, дорожной поверхности в передней и задней части автомобиля в тёмное время суток или в условиях ограниченной видимости, а также предупреждения других участников дорожного движения о направлении манёвра путём подачи световых сигналов. В конструкцию системы входят:
- передние блок-фары;
- повторители поворотов (боковые указатели);
- задние фары;
- салонный плафон.
В систему освещения входят передние и задние фары, повторители поворотов, салонный плафон
ВАЗ 2107 оснащались двумя передними блок-фарами, каждая из которых объединяла в своей конструкции фары дальнего и ближнего света, огни габаритов и указатели поворотов. Дальнее и ближнее освещение в них обеспечивается одной двухнитевой галогенной лампой типа АГ-60/55, управление работой которой осуществляется переключателем, размещённым на рулевой колонке слева. В блоке указателя поворота установлена лампа типа А12–21. Включается она при перемещении того же переключателя вверх или вниз. Габаритный свет дают лампы типа А12–4. Они загораются при нажатии на выключатель наружного освещения. В повторителе поворота также применяются лампы А12–4.
Задние фонари «семёрки» разделены на четыре секции:
- указателя поворота (лампа А12–21–3);
- габаритного света (А12–4);
- противотуманного света (А12–21–3);
- фары заднего хода (А12–21–3).
Задние противотуманки загораются при нажатии на кнопку их включения, которая расположена на центральной консоли автомобиля. Лампы фар заднего хода включаются автоматически при включении задней передачи. За их работу отвечает специальный выключатель «лягушка», установленный в задней части коробки переключения передач.
Салон автомобиля освещается при помощи специального плафона, расположенного на потолке. Включения его лампы происходит при включении габаритных огней. Кроме этого, схема его подключения включает концевые выключатели дверей. Таким образом, плафон начинает светиться, когда включены габаритные огни и открыта хотя бы одна из дверей.
Плафон обозначен под номером 64
СИСТЕМА ЗВУКОВОЙ СИГНАЛИЗАЦИИ
Система звуковой сигнализации предназначена для подачи звукового сигнала другим участникам дорожного движения. Её конструкция очень проста, и состоит из двух электрических звуковых сигналов (один высокой тональности, другой — низкой), реле R-3, предохранителя F-7 и кнопки включения. Система звуковой сигнализации постоянно подключена к бортовой сети, поэтому работает даже при вытянутом из замка зажигания ключе. Его включение происходит при нажатии на кнопку, расположенную на рулевом колесе.
1 — сигналы высокой и низкой тональности; 2 — монтажный блок; 3 — кнопка включения
В качестве источников звука в «семёрках» выступают сигналы типа 906.3747–30. Каждый из них имеет подстроечный винт для регулировки тона. Конструкция сигналов неразборная, поэтому при выходе их из строя подлежат замене.
ВИДЕО: РЕМОНТ ЗВУКОВОГО СИГНАЛА ВАЗ 2107
ДОПОЛНИТЕЛЬНОЕ ЭЛЕКТРООБОРУДОВАНИЕ ВАЗ 2107
К дополнительному электрооборудованию «семёрки» относятся:
- электродвигатели моторедуктора стеклоочистителя;
- электродвигатель наоса стеклоомывателя;
- прикуриватель;
- электродвигатель вентилятора отопителя;
- электродвигатель вентилятора радиатора охлаждения;
- часы.
Электродвигатели стеклоочистителя приводят в действие трапецию, которая, в свою очередь, перемещает «дворники» по лобовому стеклу автомобиля. Они установлены в задней части подкапотного пространства, сразу за моторным щитом машины. В ВАЗ 2107 применяются моторедукторы типа 2103–3730000. Подача питания в цепь происходит при перемещении правого подрулевого переключателя.
Электродвигатель омывателя приводит в действие его насос, который подаёт воду в магистраль омывателя. В «семёрках» моторчик входит в конструкцию насоса, встроенного в крышку бачка. Каталожный номер детали 2121–5208009. Электродвигатель омывателя приводится в действие при нажатии правого рулевого переключателя (на себя).
1 — электродвигатели стеклоочистителя; 2 — электродвигатель омывателя; 3 — монтажный блок; 4 — замок зажигания; 5 — выключатель омывателя
Прикуриватель, в первую очередь, служит не для того, чтобы водитель имел возможность прикурить сигарету от него, а для подключения внешнего электрооборудования: компрессора, навигатора, видеорегистратора и т.п.
Схема подключения прикуривателя состоит всего из двух элементов: самого устройства и предохранителя F-6. Включение осуществляется путём нажатия на кнопку, расположенную в верхней его части.
Прикуриватель подключается к бортовой сети через предохранитель без реле
Электродвигатель вентилятора отопителя используется для принудительного нагнетания воздуха в салон автомобиля. Он установлен внутри отопительного блока. Каталожный номер устройства — 2101–8101080. Работа электродвигателя возможна в двух скоростных режимах. Включается вентилятор трехпозиционной кнопкой, расположенной на приборной панели.
Электродвигатель вентилятора охлаждения радиатора служит для принудительного обдува основного теплообменника автомобиля, когда температура хладагента превышает допустимые значения. Схемы его подключения у карбюраторных и инжекторных «семёрок» отличаются. В первом случае он включается по сигналу датчика, установленного в радиаторе. При нагревании охлаждающей жидкости до определённой температуры его контакты замыкаются, и в цепь начинает поступать напряжение. Защиту цепи обеспечивают реле R-4 и предохранитель F-7.
1 — электродвигатель вентилятора; 2 — датчик; 3 — монтажный блок; 4 — реле зажигания; 5 — замок зажигания
В инжекторных ВАЗ 2107 схема другая. Здесь датчик установлен не в радиаторе, а в патрубке системы охлаждения. Более того, он не замыкает контакты вентилятора, а просто передаётся данные о температуре хладагента на электронный блок управления. ЭБУ использует эти данные для расчёта большинства команд, касающихся работы двигателя, в т.ч. и для включения электродвигателя вентилятора радиатора.
В инжекторных «семерках» электровентилятор радиатора включается по сигналу ЭБУ
Часы установлены в салоне автомобиля на приборной панели. Их роль заключается в том, чтобы правильно показывать время. Они имеют электромеханическую конструкцию и питаются от бортовой сети машины.
Часы подключены к бортовой сети постоянно
СИСТЕМА УПРАВЛЕНИЯ ДВИГАТЕЛЕМ
Системой управления оснащены только инжеторные силовые агрегаты. Её основные задачи — это сбор информации о режимах работы различных систем, механизмов и узлов двигателя, их обработка, формирование и отправка соответствующих команд управляющим устройствам. В конструкцию системы входят электронный блок, форсунки и целый ряд датчиков.
ЭБУ является своего рода компьютером, в котором установлена программа для управления работой двигателя. Он имеет два вида памяти: постоянную и оперативную. В постоянной памяти хранится вычислительная программа и параметры двигателя. ЭБУ контролирует работу силового агрегата, проверяя исправность всех составляющих системы. В случае обнаружения поломки, он переводит двигатель в аварийный режим и подаёт сигнал водителю путём включения лампы «CHEK» на щитке приборов. В оперативной памяти находятся текущие данные, получаемые от датчиков.
Форсунки предназначены для подачи бензина во впускной коллектор под давлением. Они распыляют его и впрыскивают в ресивер, где происходит образование горючей смеси. В основе конструкции каждой из форсунок находится электромагнит, который открывает и закрывает сопло устройства. Работой электромагнита управляет ЭБУ. Он посылает электрические импульсы с определённой частотой, благодаря чему электромагнит включается и выключается.
В систему управления включены следующие датчики:
- Датчик положения заслонки дросселя. Он определяет положение заслонки относительно своей оси. Конструктивно устройство представляет собой резистор переменного типа, меняющий сопротивление в зависимости от угла поворота заслонки.
- Датчик скорости. Этот элемент системы установлен в корпусе привода спидометра. К нему подведён трос спидометра, с которого он получает информацию и передаёт на электронный блок. ЭБУ по его импульсам рассчитывает скорость автомобиля.
- Датчик температуры хладагента. Как уже упоминалось, это устройство служит для определения степени нагрева хладагента, который циркулирует в системе охлаждения.
- Датчик положения коленвала. Он формирует сигналы о положении вала в определённый момент времени. Эти данные необходимы компьютеру для синхронизации его работы с тактами силовой установки. Устройство установлено в крышке привода распредвала.
- Датчик концентрации кислорода. Служит для определения количества кислорода в выхлопных газах. На основании этой информации ЭБУ производит расчёт пропорций топлива и воздуха для формирования оптимальной горючей смеси. Он установлен на приёмной сразу за выпускным коллектором.
- Датчик массового расхода воздуха. Это устройство предназначено для вычисления объёма воздуха, поступающего во впускной коллектор. Такие данные также нужны ЭБУ для правильного формирования топливно-воздушной смеси. Устройство вмонтировано в воздуховод.
Работой всех систем и механизмов управляет ЭБУ
ИНФОРМАЦИОННЫЕ ДАТЧИКИ
К информационным датчикам ВАЗ 2107 относятся датчик аварийного давления масла и указателя уровня топлива. Эти устройства не входят в систему управления двигателем, так как он может неплохо работать и без них.
Датчик аварийного давления масла предназначен для определения давления в системе смазки и своевременного оповещения водителя о его снижении до критических показателей. Он установлен в блоке цилиндров двигателя и подключён к сигнальной лампе, выведенной на щиток приборов.
Датчик уровня топлива (ДУТ) служит для установления объёма горючего в баке, а также предупреждения водителя о том, что оно на исходе. Датчик установлен в самом бензобаке. Он представляет собой переменный резистор, бегунок которого прикреплён к поплавку. Датчик уровня топлива подключён к указателю, размещённому на панели приборов и сигнальной лампе, расположенной там же.
Датчики подключены к приборам и контрольным лампам
Условная нумерация штекеров в колодках
Дополнительно для ремонта или тюнинга ВАЗ потребуется знание порядковых номеров штекеров в колодках. Схема электрооборудования ВАЗ 21074 дает следующие обозначения:
- Фары головного света, очистители ветрового стекла и фар, блок управления клапаном системы питания, реле очистителя лобового стекла.
- Монтажный блок и трехрычажный переключатель.
- Сигналка и поворотники.
- Задние блок-фары.
- Выключатель сигнализации.
Дополнительные обозначения
При подключении генератора или вмешательстве в проводку и систему зажигания ВАЗ следует знать расположение блока предохранителей в авто. Всего их 17-ть, из которых 2 резервных.
- задние лампы реверсной передачи;
- электродвигатели насосов омывателей фар и стекла;
- обогрев заднего стекла;
- указатели поворотов, аварийной сигнализации;
- противотуманные фонари;
- тахометр, вольтметр, контрольные лампы на приборке;
- прикуриватель и часы;
- звуковой сигнал;
- освещение салона, лампы тормоза;
- дальний свет фар;
- контрольная лампа дальнего света;
- подкапотное освещение и освещение номерного знака;
- подсветка бардачка;
- ближний свет справа;
- ближний свет слева.
Электрическая схема автомобиля ВАЗ 2021 поможет в ремонте и обслуживании. Скачать картинку в высоком разрешении можно по ссылке.
ОСНОВНЫЕ НЕИСПРАВНОСТИ ЭЛЕКТРООБОРУДОВАНИЯ ВАЗ 2107
Что касается поломок электрического оборудования в ВАЗ 2107, то их может быть сколько угодно, особенно если речь идёт об инжекторном автомобиле. Ниже в таблице представлены основные неисправности, связанные с электроприборами «семёрки», и их симптомы.
ТАБЛИЦА: НЕИСПРАВНОСТИ ЭЛЕКТРООБОРУДОВАНИЯ ВАЗ 2107
| Признаки | Неисправности |
| Не включается стартер | Разряжен аккумулятор. Нет контакта с «массой». Неисправно тяговое реле. Обрыв в обмотках ротора или статора. Неисправен замок зажигания. |
| Стартер крутит, но двигатель не запускается | Вышло из строя реле бензонасоса (инжектор). Сгорел предохранитель бензонасоса. Обрыв в проводке на участке замок зажигания-катушка-распределитель (карбюратор). Неисправна катушка зажигания (карбюратор). |
| Двигатель запускается, но работает неустойчиво на холостом ходу | Неисправность одного из датчиков системы управления двигателем (инжектор). Пробой высоковольтных проводов. Неправильный зазор между контактами прерывателя, износ контактов в крышке распределителя (карбюратор). Неисправны свечи зажигания. |
| Не работает один из приборов наружного или внутреннего освещения | Неисправность реле, предохранителя, выключателя, обрыв проводки, выход из строя лампы. |
| Не включается вентилятор радиатора | Вышел из строя датчик, неисправно реле, обрыв проводки, неисправен электропривод. |
| Не работает прикуриватель | Перегорел предохранитель, перегорела спираль прикуривателя, нет контакта с «массой». |
| Аккумулятор быстро садится, горит сигнальная лампа аккумулятора | Неисправность генератора, выпрямителя или регулятор напряжения |
ВИДЕО: ПОИСК НЕИСПРАВНОСТЕЙ БОРТОВОЙ СЕТИ ВАЗ 2107

Как видите, даже такой, казалось бы простой автомобиль, как ВАЗ 2107 имеет довольно сложную бортовую сеть, но при желании и с ней можно разобраться.
